La tecnica - Le Radio di Sophie - Technics

Capacimetro a ponte

 di Luciano Loria

  Molti guasti, “strani” o ”inspiegabili”, in cui ci si imbatte durante la riparazione di una vecchia radio, sono causati spesso da alterazioni dei valori dei componenti. Resistori e condensatori sono soggetti a variare le loro caratteristiche in dipendenza di calore, umidità, sbalzi di tensione, corto circuiti, ecc. Mentre una resistenza è facilmente misurabile con un qualunque tester, commutato in ohm, non è così semplice misurare la capacità di un condensatore senza uno strumento adeguato come il capacimetro. Non disponendo di tale apparecchio altre sono le prove che si possono effettuare sui condensatori: con un megger o megaohmetro si può controllare l’isolamento tra le due armature, che deve risultare di svariati megaohm; con un alimentatore per alte tensioni ( può essere lo stesso alimentatore anodico della radio sotto riparazione) e disponendo in serie un milliamperometro (od il tester commutato in misure di corrente continua) si applica tensione ai terminali del condensatore e ci si accerta che, a parte un rapido guizzo iniziale, non circoli corrente. Sarà ovvio ma bene ricordare che l’elemento da provare andrà scollegato dal circuito di lavoro. Tali prove, pure utili ed in certi casi sufficienti, non determinano il valore di capacità del componente in prova, solo il capacimetro riesce a indicarlo. Il più semplice, economico, affidabile e, per gli usi radio-tecnici, abbastanza preciso, nonché facilmente realizzabile, risulta essere il capacimetro a ponte.

UN PO’ DI TEORIA SUI PONTI DI MISURA

Il principio di funzionamento è sempre quello, universalmente noto, o così spero, del ponte di Weatstone, da cui sono derivate numerose varianti. Sembra utile, per la comprensione della variante proposta (ponte di De Sauty), ricordarne il funzionamento: nella figura 1-a è disegnato lo schema elettrico del ponte di Weatstone, le quattro resistenze sono disposte sui lati di un quadrato, su una diagonale è applicata la tensione continua di pochi volt (per non alterare i resistori con correnti eccessive), sull’altra diagonale è collegato un rivelatore di corrente (galvanometro a zero centrale). Quando l’indice dello strumento non segnala alcun passaggio di corrente, cioè non si sposta dalla posizione di zero, allora è soddisfatta la seguente relazione:

 

Rx : Rc = R2 : R1  per cui  Rx = Rc x R2/R1

 

Dove Rx è la resistenza incognita di cui si vuol conoscere il valore, Rc è la resistenza campione di confronto, il rapporto R2/R1 determina di quanto si discosta il valore di Rx da Rc. Risulta evidente che se R2 = R1, il rapporto è unitario e, quindi, il valore di Rx è identico al valore di Rc; in pratica non interessa conoscere i valori di R1 e R2 ma in quale rapporto stiano tra loro. Tale rapporto è necessario che sia variabile in un vasto campo per provare resistori di valore diverso senza dover sostituire il resistore campione Rc. Nel caso della figura 1-b, R1 e R2 sono i due rami in cui si divide un potenziometro, tramite lo spostamento del cursore, ottenendo una variazione continua dei rapporti che, generalmente, consente la prova di valori da un decimo a dieci volte il valore campione.

Il ponte di De Sauty, nella figura 2, applica il medesimo principio per la misura della capacità, infatti, se si alimenta il ponte con corrente alternata e si sostituiscono Rx e Rc con Cx e Cc si ottiene un ponte per la misura delle capacità; il rivelatore di zero non sarà più un galvanometro (adatto solo per la cc) bensì una cuffia ad alta impedenza per accertare, uditivamente a ponte in equilibrio, il silenzio totale, in alternativa è possibile usare l’oscilloscopio e regolare il ponte fino a visualizzare il minimo segnale sullo schermo; di altre possibilità si dirà più avanti.

 

 

 

Come funziona tale ponte? Un condensatore, alimentato con corrente continua, si comporta come un circuito aperto di resistenza teoricamente infinita, mentre, alimentato con corrente alternata, oppone una resistenza o reattanza capacitiva (X), espressa anch’essa in ohm, quindi è valida la seguente relazione:

Xx : Xc = R2 : R1 per cui Xx = Xc x R2/R1

Poiché la reattanza capacitiva è inversamente proporzionale alla capacità, sostituendo, nella formula precedente, lacapacità alla reattanza si ha:

Cx = Cc x R1/R2

Ovvero, moltiplicando il valore di Cc per il rapporto delle resistenze R1 e R2 si ottiene il valore della capacità incognita. La reattanza capacitiva non è solo inversamente proporzionale alla capacità, ma dipende anche dalla frequenza della tensione alternata applicata, secondo la nota (?!?) formula riportata dai sacri testi si ha:

Xc = 1 : 6,28 x f x C

Dove Xc è espressa in ohm, f in hertz, C in farad; per rendere pratico l’uso di tale formula è opportuno trasformarla esprimendo f in KHz ( chilohertz) e C in nF (nanofarad):

 Xc = 159.000 : ( KHz x nF)

NOTA: 159.000 è il valore approssimato della divisione 1.000.000/ 6,28 = 159.235,67; per brevità di spiegazione sono stati omessi tutti i passaggi intermedi per arrivare all’ultima definizione di Xc.

Ad esempio ecco quali valori di reattanza capacitiva vengono ad assumere alcuni condensatori alimentati con corrente alternata a 1000 Hz:

100 pF            1,59 Mohm

1 nF                 159 Kohm

10 nF              15,9 Kohm

100nF                 159 ohm

 

Descrizione dello schema elettrico

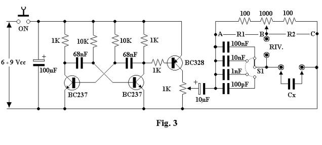
Vediamo come sia possibile realizzare il ponte per la misura di capacità: nella figura 3 seguente è disegnato lo schema elettrico del ponte completo del generatore di tensione alternata a circa 1000 Hz.

Cominciamo descrivendo lo schema del generatore di tensione alternata: i due transistor NPN con i condensatori da 68 nF e le resistenze da 1 e da 10 Kohm formano un classico multivibratore astabile che produce un’onda quadra a 1000 Hz circa. Il transistor PNP è utilizzato come amplificatore di media potenza, il suo carico di collettore è costituto dal trimmer da 1Kohm, dal cursore di quest’ultimo, tramite il condensatore elettrolitico da 10 uF, è prelevato il segnale per l’alimentazione del ponte di misura. Il commutatore S1 inserisce uno dei quattro condensatori campione cosicchè il campo di misura, come poi si vedrà, si estende da circa 10 pF a circa 1 uF. Il rapporto R1/R2 si sceglie ruotando l’alberino del potenziometro a filo da 1000 ohm, le due resistenze da 100 ohm, poste ai lati, occorrono per limitare il campo di misura da 1/10 a 10 volte il valore del condensatore campione inserito (in effetti, il rapporto varia da 1/11 a 11 volte il riferimento del centro scala, ma è preferibile rinunciare ad effettuare misure in prossimità dell’inizio e della fine della rotazione del cursore ad evitare errori di lettura molto marcati). Il potenziometro, come già detto sarà del tipo lineare a filo avvolto perché garantisce una maggior precisione rispetto a quelli a strato di grafite. Particolare cura ed attenzione sarà usata nella tracciatura, sul pannello frontale dello strumento, della scala dei rapporti N: quanto più precisa risulterà, tanto più esatta sarà la lettura della capacità incognita Cx. Anche i condensatori campione andranno scelti della massima precisione possibile, sarebbe bene non andare oltre la tolleranza del 5%. 

SCALA DEI RAPPORTI

Se il potenziometro è ben costruito e lineare ad ogni grado di rotazione deve corrispondere una percentuale fissa di resistenza; ammettiamo che la rotazione totale sia di 300° (sessagesimali), poiché il valore nominale è di 1000 ohm, ad ogni grado, di rotazione dell’alberino, corrisponde un valore di 1000/300° = 3,33 ohm. Per accertarsene, ed eventualmente apportare le correzioni in fase di tracciatura della scala, occorre sacrificare un normale goniometro scolastico da 12 cm di diametro, lo si fora al centro con una punta da 6 mm e lo si fissa  sotto una manopola che andrà montata, provvisoriamente, sul potenziometro, in maniera che 0° corrispondano all’inizio della rotazione ( alberino ruotato tutto a sinistra ).

 

Predisporre una tabella di taratura con tre colonne: sulla prima si scriverà il rapporto voluto, sulla seconda quanti ohm occorrerà leggere sull’ohmetro, sulla terza i corrispondenti gradi letti sul goniometro. Occore, anche, accertarsi dell’effettivo valore della somma delle tre resistenze 100 + 1000 + 100 = 1200 ohm; per le inevitabili tolleranze che si aggirano sul 5% si potrebbe rilevare un valore da 1140 a 1260 ohm circa. Utilizzare possibilmente un tester digitale per la lettura di questa resistenza e per procedere con i successivi rilievi necessari alla taratura della scala dei rapporti. Si è già affermato che la precisione della lettura dipende unicamente dall’esattezza del rapporto tra le resistenze, quindi, non ha alcun’importanza il valore effettivo, ma è necessario conoscerlo per procedere alla determinazione dei vari rapporti da segnare sulla scala. Qualunque sia la resistenza totale dividerla per 2 e controllare, ruotando la manopola, che i due tratti A-B (R1) e B-C (R2), misurati col tester, corrispondano effettivamente al valore Rtot/2 . Sulla tabella segnare, sulla riga del rapporto N = 1 i gradi di rotazione letti sul goniometro. Teoricamente il rapporto R1/R2 = 1 dovrebbe corrispondere ( se la rotazione totale è di 300° ) a 150 °, inevitabilmente per le tolleranze anzidette si riscontrerà una piccola differenza, ecco perché occorre questo lavoro di controllo per la tracciatura esatta della scala dei rapporti. La regola da applicare per stabilire quanti ohm misurare per ogni rapporto N voluto è la seguente:

 Rtot : N + 1 = ohm

Si supponga che Rtot sia effettivamente di 1200 ohm e che il rapporto N cercato sia 3, si avrà 1200/ 3 + 1 = 300 ohm, basterà ruotare la manopola fino a leggere tale valore sul tester ( collegato sui punti B e C sullo schema elettrico) e controllare quanti gradi si leggono sul goniometro in corrispondenza del riferimento iniziale. Infatti avremo che se R2 (B-C) = 300, R1 (A-B) = 1200 – 300 = 900 per cui R1/R2 = 900/300 = 3 che è effettivamente il rapporto cercato. Allo stesso modo si procede per tutti gli altri rapporti da segnare sulla scala, compresi i decimali; per l’effetto dell’addensamento dei rapporti a fondo scala bisognerà rinunciare ai decimali dal rapporto 6 fino al 10, ci si dovrà accontentare di dividere solo per due ogni rapporto superiore al 6.

 

REALIZZAZIONE DELLO STRUMENTO

I pochi componenti del ponte trovano sistemazione direttamente sul pannello (vedere fotografia), il solo generatore di BF è realizzato su circuito stampato perché è stato riciclato e modificato un circuito originariamente destinato ad altro uso, esattamente era un segnalatore di continuità elettrica (LX. 577 di Nuova Elettronica N° 90 ). Il trimmer andrà regolato quasi per il massimo (ruotato verso destra), addirittura, sarà possibile sostituirlo con una resistenza fissa da 1000 ohm, collegando direttamente sul collettore del transistor BC328 il condensatore da 10 uF.

 

 

USO DEL CAPACIMETRO

Si è già parlato del rivelatore di zero: può essere una cuffia ad alta impedenza, un auricolare, anche una cuffia stereo con bassa impedenza preceduta da un trasformatore adattatore d’impedenza, (vedere quanto già pubblicato sul sito) in pratica lo strumento che rileverà lo zero acustico (il perfetto bilanciamento del ponte) sarà il nostro orecchio. Collegato il condensatore di capacità incognita ai morsetti Cx, scelta la portata adeguata, inserita l’alimentazione e indossata la cuffia, saremo pronti ad effettuare la lettura; occorre premere il pulsantino ON (per alimentare lo strumento) e ruotare la manopola del potenziometro fino ad azzerare il suono della nota BF in cuffia. A questo punto basta leggere quale rapporto N indica la manopola e moltiplicarlo per il valore del condensatore campione inserito; normalmente non si trova alcuna difficoltà per azzerare il ponte sulle portate più alte, solo la portata dei 100 pF può dare qualche problema, specie se il valore del condensatore in prova è di pochi pF. Infatti, se calcoliamo quale sia la reattanza capacitiva di un condensatore di 10 pF scopriremo che si aggira sui 16 Mohm e, con questi valori, l’azzeramento con la cuffia non riesce efficace. Per ottenere risultati accettabili, in questo caso, è possibile amplificare il segnale presente sui morsetti RIV, semplicemente inviandolo ad un amplificatore di BF (ottimamente si presta il Signal-Tracer) e accertare tramite altoparlante l’avvenuto azzeramento del ponte. Altro sistema, disponendo di un oscilloscopio, collegando l’asse Y ai morsetti RIV, è quello di controllare quando il segnale si annulli completamente sullo schermo del tubo catodico. Però, come già detto, la maggior parte delle misure sarà possibile effettuarle usando “l’orecchio”, naturalmente occorrerà effettuarle in condizioni d’assoluto silenzio per stabilire, con certezza, quando si otterrà il perfetto bilanciamento. Oltre a trovare dei condensatori con variazioni anche grandi della capacità rispetto a quella nominale, è possibile che, pur ruotando da una parte all’altra la manopola e pur cambiando la capacità campione, non si ottenga l’azzeramento del ponte. In tal caso il condensatore in prova si trova in una di queste condizioni: in parziale o totale corto circuito, interrotto (ovvero ha almeno un reoforo non collegato all’armatura). Nel caso del corto circuito il segnale in cuffia sarà massimo ruotando la manopola per selezionare alti rapporti, nel caso dell’interruzione il segnale sarà massimo in prossimità di bassi rapporti. Tali condizioni accadranno anche cambiando portata, anzi sarà opportuno verificarle prima di ritenere guasto il condensatore.

Torna alla Pagina della Tecnica